联系电话: 021-59189606

凯发真人的产品中心您的位置:凯发真人-凯发k8娱乐注册网址 > 凯发真人的产品中心 > 压力表 > 膜片压力表 > ypf-150b不锈钢膜片压力表

不锈钢膜片压力表ypf-凯发真人

简要描述:
不锈钢膜片压力表适用于测量具有一定腐蚀性、非凝固或非结晶的各种流体介质的压力或负压。膜片压力表耐腐蚀性能取决于膜片材料。

更新时间:2025-09-17

访问量:1973

厂商性质:生产厂家

不锈钢膜片压力表适用于测量具有一定腐蚀性、非凝固或非结晶的各种流体介质的压力或负压。膜片压力表耐腐蚀性能取决于膜片材料。

不锈钢膜片压力表结构原理

膜片压力表由测量系统(包括法兰接头、波纹膜片)、传动指示机构(包括连杆、齿轮传动机构、指针和度盘)和外壳(包括表壳和罩圈)等组成。膜片压力表外壳为防溅结构,具有较好的密性,故能保护其内部机构免受污秽浸入。
膜片压力表的作用原理是基于弹性元件(测量系统上膜片)变形。膜片压力表在被测介质的压力作用下,迫使膜片产生相应的弹性变形---位移,借助连杆组经传动机构的传动并予放大,由固定于齿轮上的指针逐将被测值在度盘上指示出来。


主要技术指示

精确度等级:2.5
使用环境温度:-40~ 70℃;相对湿度不大于90%
温度影响:使用温度偏离20±5℃时,其温度附加误差不大于0.04%/℃
工作位置:垂直安装。
外壳防护等级:ip64

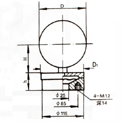
◆标度范围、外形尺寸及重量

型号

标度范围

承压部
寸d1

表壳
外径d

重量kg

ypf-100a

0~0.6、0~0.1、0~0.16、0~0.25、0~0.4
0~0.6、0~0.1、0~1.6、0~2.5、-0.1~0
-0.1~0.06、-0.1~0.15、-0.1~0.3、-0.1~0.5
-0.1~0.9、-0.1~1.5、-0.1~2.4mpa

φ85

φ100

1.6

ypf-100b
ypf-100b-f

φ115

ypf-150a

φ85

φ150

1.8

ypf-150b
ypf -150b-f

φ115

ypf-100b
ypf-100b-f

0~1.6、0~.5、0~4、0~6、0~10、
0~16、0~25、0~40*
-1.6~0、-2.5~0、-4~0、-6~0、-10~0
-16~0、-25~0、-40~0*
-0.8~0.8、-1.2~1.2、-2~2、-3~3、-5~5、
-8~8、-12~12、-20~20*kpa

φ160

φ100

2.9

ypf-150b
ypf-150b-f

φ160

φ150

3.2

*0~40、-40~0、±20kpa规格承压部尺寸d1为φ85

◆膜片压力表导压系统及外壳等主要零件的材质

型号

名称

导压系统

表壳材料

膜片

法兰接头

密封垫圈

ypf-100a
150a

膜片压力表

cr15ni7mo
(ph15-7mo)
316h(≤25kpa)

1cr18ni9

丁腈橡胶

铸铝

ypf-100b
150b

聚四氟乙烯

1cr18ni9

ypf-100b-f
150b-f

法兰


ypf-100a

ypf-100b

ypf-100b

ypf-150a

ypf-150b

ypf-150b-f

d

φ100

φ110

φ110

φ150

φ160

φ160

h

66

66

66

91

91

91

h

32

32

36

32

32

36



留言框

  • 产品:

  • 您的单位:

  • 您的姓名:

  • 联系电话:

  • 常用邮箱:

  • 省份:

  • 详细地址:

  • 补充说明:

  • 验证码:

    请输入计算结果(填写阿拉伯数字),如:三加四=7
网站地图